股票代码  003021
主页 > 产品中心 > 微型电机 > 无刷空心杯电机 > Φ12mm 无刷空心杯电机(MC1226)
概述

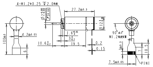
Φ12mm 无刷空心杯电机(MC1226)

产品型号:MC1226

直径(mm):12

长度(mm):26

额定电压(V):12

额定转速(rpm):20970

堵转转矩(mNm):8.9

堵转电流(A) :2.38

转矩常数(mNm/A):3.87

速度常数(rpm/V) :2383

输出轴直径(mm):0.8

电机参数

电机数据(额定值)
额定电压(V) 12
空载转速(rpm) 28600
空载电流(A) 78
额定转速 (rpm) 20970
额定转矩(mNm) 2.38
额定电流(A) 0.69
堵转转矩(mNm) 8.9
堵转电流(A) 2.38
最大效率(%) 67
电机常数(额定值)
相间电阻(Ω) 5.3
相间电感(mH) 0.042
转矩常数(mNm/A) 3.87
速度常数(rpm/V) 2383
转速/转矩斜度(rpm/mNm) 3213
机械时间常数(ms) 4.5
转子惯量(gcm2) 0.138
热参数
机壳-环境热阻(K/W) 38.6
绕组-机壳热阻(K/W) 7.5
绕组热时间常数(s) 3.2
电机热时间常数(s) 210
环境温度(℃) -20~+100
最高绕组温度(℃) +125
机械参数(滚珠轴承)
最大允许转速(rpm) 40 000
最大轴向间隙(mm) < 0.15 N? ?0
> 0.15 N? ?0.06(max)
径向间隙 preloaded
最大轴向动态载荷(N) 2
最大允许安静态装力(N) 10
最大径向载荷,距离法兰处2mm处(N) 5
端子型号
Molex 52745-1297
*注:以上具体参数可根据客户要求定制。

设计图纸

热门产品查看更多

  •  MC0820

      额定电压5 V  

      额定转速15000 rpm  

      堵转转矩1.08 mNm  

    查看详情

资料下载

Φ12mm 无刷空心杯电机(MC1226)规格书

不朽情缘mg官网 — 微型驱动系统制造商

专注于研发、生产精密驱动系统,为客户提供智能驱动方案设计,零件的生产与组装的定制化服务

立即咨询  >

粤ICP备11019966号     Copyright ? 2023  深圳市不朽情缘mg官网机电股份有限公司  

粤ICP备11019966号
Copyright  2023  深圳市不朽情缘mg官网机电股份有限公司

400-066-2287
服务热线


线

服务热线:400-066-2287
sitemap地图